GO
D1D2

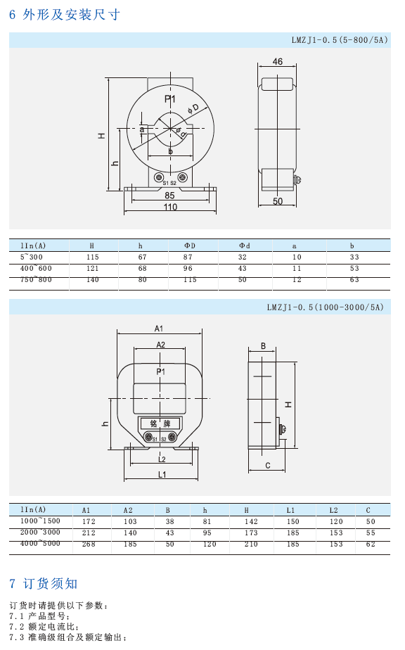
LMZJ1-0.5型电流互感器

所属分类:互感器

PDF File:

在线客服

leyu.乐鱼(集团)体育科技股份有限公司官网客服1

1428967121

leyu.乐鱼(集团)体育科技股份有限公司官网客服2

2281824741